Was macht ihr gerade ?, Werkstattbericht !
| Este |
|

Advanced Member
  
Gruppe: Mitglieder
Beiträge: 4234
Mitgliedsnummer.: 4385
Mitglied seit: 21.04.2011

|
--------------------
|
|
|
| docralle |
|

Advanced Member
  
Gruppe: Mitglieder
Beiträge: 6818
Mitgliedsnummer.: 3883
Mitglied seit: 01.10.2010

|
ich würde jetzt noch 2 Ponnys vorspannen und bei den Ökofreaks als Umweltfreundliches ÖKOmobil vorstellen. Du hättest deinen Spass, die Ponnys ihr Hafer und die Ökos lange Gesichter...
--------------------
Geduld ist etwas, was einem weiterbringt. 1986-2016 Der Roller wird 30Mein Fuhrpark: SR 50 CE (neues Projekt)Meine 51er 1 Mifa Universal (510); 1 Mifa Klappi (904) und 2 schöne Diamantfahräder.... Gruß Ralle
|
|
|
| docralle |
|

Advanced Member
  
Gruppe: Mitglieder
Beiträge: 6818
Mitgliedsnummer.: 3883
Mitglied seit: 01.10.2010

|
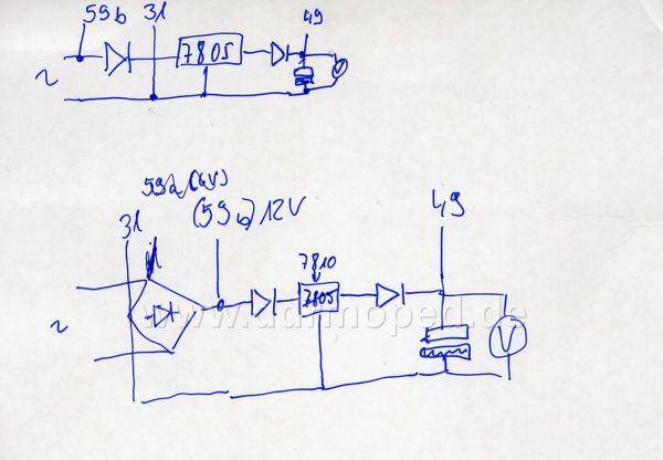
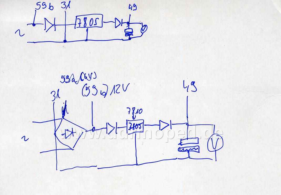
Hab mir was einfallen lassen, ob ich so die ELBA ausserhalb des Fahrzeugs testen kann. Die Dioden entkoppeln den Festspannungsregler, welcher zudem eine ziemlich leere Batterie simuliert. Die ELKOS dienen auch als Batterieersatz, ich denke 40V-Typen sind ausreichend, Kapazität sollte eigentlich auch nicht die Rolle spielen, ein normaler 1000µF sollte aber noch schnell genug reagieren. Über dem Kondensator ist die sich dann aufbauente Ladespannung zu messen.
Angefügtes Bild

--------------------
Geduld ist etwas, was einem weiterbringt. 1986-2016 Der Roller wird 30Mein Fuhrpark: SR 50 CE (neues Projekt)Meine 51er 1 Mifa Universal (510); 1 Mifa Klappi (904) und 2 schöne Diamantfahräder.... Gruß Ralle
|
|
|
| Otto |
|
Advanced Member
  
Gruppe: Mitglieder
Beiträge: 2136
Mitgliedsnummer.: 7023
Mitglied seit: 21.12.2013

|
| QUOTE (schwalbe rider @ 08.07.2016, 14:19) | | QUOTE (Zelofano18 @ 08.07.2016, 10:33) | Mir fehlt dazu das Werkzeug und ohne Erfahrung möchte ich selber keinen Schrott produzieren.
Aber danke Ralle.
Gruß Vincent |
Lötkolben, lözwasser und Lötzinn. Dan noch ne kleine Zange (Um das Nippel zu bewegen wenn das warm ist.) und einen Schraubstock zum Einspannen. Dan hab ich noch vom Fahrrad solche Klötze zum Bremsleitung einspannen (Magura zb.). Damit wird die Hülle eingespannt und mit Fett (Etwas mit Öl verdünnen weil es sonst "Schleimig" geht) füllen. Nippel wieder drauf Löten und 2-3mm das Seilende überstehen lassen. Das wird dan aufgedrieselt (Hammer und Nagel reicht. Man soll nur die Drähte etwas Spreizen. Nicht platt hauen!). Hinterher nochmal mit einer weichen Drahtbürste bürsten damit es Ordentlich aussieht und gut. Auch die Fußbremszüge halten Problemloß. Ich hab damit auch angefangen, weil mir in der Anfangszeit alle Nippel bei den Bremszügen und Kupplungszügen abgegangen sind. Glücklicherweiße hatte Ich da immer etwas "Auslauf" gehabt. Mich würde mal Interesiren wie das Versicherungstechnisch gehandhabt wird. Ob da villeicht mal der Hersteller für den Scheiß mit ran gezogen wird ! Man sollte Löten können! Zwei drähte zusammen halten und bissl Zinn drüberpampern ist kein Löten. |
Bitte, bitte niemals nachmachen!
Das ist laienhafter Bastelkram. Niemals Bowdenzüge mit Zinn weichlöten, das muss ordentlich hartgelötet werden. Wer es nicht selber machen kann, bringt es zum Klemmpner, die können das ordentlich hartlöten.
--------------------
Mein Fuhrpark Twingo C06 Bj 1998 zurzeit mal wieder abgemeldet und in Schweißkur Twingo C06 Bj. 2006 als temporären Ersatz - ach am Ende bleiben sie alle... http://www.twingotuningforum.de/thread-38712.htmlSaab 9-3 bj. 1999 abgemeldet seit 03/2022 C4 Grand Picasso von 2011 (Auto von meiner Frau, VTi120) Trabant 601 Bj 1989 (lange nicht mehr bewegt...) Ninja ZX6R Bj 1998 (als Neufahrzeug gekauft und dabei geblieben, soll eine rollende Restauration werden, derzeit 160.100km auf der Uhr) SR2E Bj 1962 (seitdem in Familienbesitz, Überholung läuft) Pegasus KM30 Bj 1994 (als Alltags und Reiserad, rollende Restauration, geschätzt 80.000km gelaufen, eine MIFA-Marke????) Giant Terrago Bj 1999 (Mountainbike geschätzt 50.000 km gelaufen) MIFA Klappie Bj 1972 (restauriert) Diamant 35154 Schwanenhals (Projekt für irgendwann) DKW RT100 Bj. 1938 (wird immer noch restauriert) DKW RT100 Bj. 1939 (eigentlich Teileträger für oben, aber wer weiß...) Express 98ccm Bj. 1949 (in Restaurierung) Motobecane MB2 Bj. 1928 (wird restauriert) Norton 16H - fährt natürlich auch nicht weitere Fahrräder, Motorräder, Autos, Stationärmotoren, Gedöns,...
|
|
|
| Otto |
|
Advanced Member
  
Gruppe: Mitglieder
Beiträge: 2136
Mitgliedsnummer.: 7023
Mitglied seit: 21.12.2013

|
| QUOTE (Este @ 08.07.2016, 18:57) | Zwischendurch |
Respekt, "zwischendurch" macht man sowas nicht - ist doch eine ziemliche Arbeit, sieht gut aus!
--------------------
Mein Fuhrpark Twingo C06 Bj 1998 zurzeit mal wieder abgemeldet und in Schweißkur Twingo C06 Bj. 2006 als temporären Ersatz - ach am Ende bleiben sie alle... http://www.twingotuningforum.de/thread-38712.htmlSaab 9-3 bj. 1999 abgemeldet seit 03/2022 C4 Grand Picasso von 2011 (Auto von meiner Frau, VTi120) Trabant 601 Bj 1989 (lange nicht mehr bewegt...) Ninja ZX6R Bj 1998 (als Neufahrzeug gekauft und dabei geblieben, soll eine rollende Restauration werden, derzeit 160.100km auf der Uhr) SR2E Bj 1962 (seitdem in Familienbesitz, Überholung läuft) Pegasus KM30 Bj 1994 (als Alltags und Reiserad, rollende Restauration, geschätzt 80.000km gelaufen, eine MIFA-Marke????) Giant Terrago Bj 1999 (Mountainbike geschätzt 50.000 km gelaufen) MIFA Klappie Bj 1972 (restauriert) Diamant 35154 Schwanenhals (Projekt für irgendwann) DKW RT100 Bj. 1938 (wird immer noch restauriert) DKW RT100 Bj. 1939 (eigentlich Teileträger für oben, aber wer weiß...) Express 98ccm Bj. 1949 (in Restaurierung) Motobecane MB2 Bj. 1928 (wird restauriert) Norton 16H - fährt natürlich auch nicht weitere Fahrräder, Motorräder, Autos, Stationärmotoren, Gedöns,...
|
|
|
Thema wird von 0 Benutzer(n) gelesen (0 Gäste und 0 Anonyme Benutzer)
0 Mitglieder:
|